Saturday, September 2, 2023

Chevy Silverado Stereo Wiring Diagram: Master Your Truck's Audio System With This Comprehensive Guide

<b>Chevy Silverado Stereo Wiring Diagram:</b> Master Your Truck

Unlock the full potential of your Chevy Silverado's audio system with our detailed stereo wiring diagram guide. Maximize clarity and performance effortlessly.

In the realm of automotive electronics, the Chevy Silverado stereo wiring diagram serves as a crucial blueprint for enthusiasts and technicians alike, facilitating the installation and maintenance of audio systems within this iconic pickup truck model. This article delves into the intricacies of stereo wiring, elucidating key components and connections essential for optimal audio performance. Understanding the nuances of these diagrams empowers individuals to navigate the complex network of wires with precision and efficiency. By examining the Chevy Silverado stereo wiring diagram through a comprehensive lens, readers will gain insights into the functionality of each wire, harnessing this knowledge to elevate their vehicle's audio experience. Moreover, this exploration sheds light on the meticulous engineering behind modern automotive sound systems, fostering a deeper appreciation for the intersection of technology and automotive design.

Top 10 Points about Chevy Silverado stereo wiring diagram :

  • Understanding the Basics of Stereo Wiring Diagrams
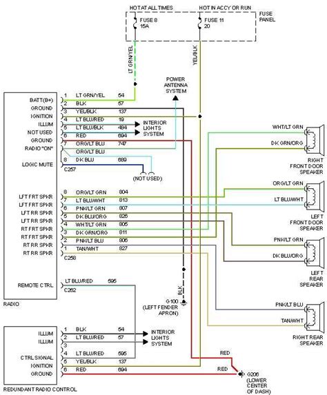
  • Key Components in the Chevy Silverado Stereo System
  • Identifying Wiring Connections for Speakers
  • Deciphering the Color Codes in the Diagram
  • Grounding and Power Supply Considerations
  • Amplifier Integration and Wiring Configurations
  • Utilizing Wiring Harnesses for Seamless Installation
  • Adapting to Aftermarket Stereo Systems
  • Troubleshooting Common Wiring Issues
  • Ensuring Compliance with Safety Standards

Several facts about Chevy Silverado stereo wiring diagram

Introduction: Wiring diagrams are essential tools for understanding the intricacies of vehicle electrical systems, including the stereo setup in Chevy Silverado trucks. These diagrams provide a visual representation of the wiring layout, aiding in installation, troubleshooting, and customization.

Understanding the Basics

Understanding the Basics

Before delving into specific diagrams, it's crucial to grasp fundamental concepts such as wire color codes, circuit symbols, and the role of each component in the Silverado's stereo system.

Identifying Components

Identifying Components

The diagram highlights key elements like speakers, amplifiers, head units, and wiring harnesses, providing a comprehensive overview of the Silverado's audio setup.

Deciphering Color Codes

Deciphering Color Codes

Chevy's color-coded wiring system simplifies installation and troubleshooting, with each color representing a specific function or connection.

Grounding and Power Supply

Grounding and Power Supply

Understanding proper grounding techniques and power supply requirements ensures optimal performance and prevents electrical issues in the Silverado's stereo system.

Integration with Amplifiers

Integration with Amplifiers

Amplifiers play a crucial role in enhancing audio quality. The wiring diagram guides integration, ensuring seamless compatibility and efficient operation.

Utilizing Wiring Harnesses

Utilizing Wiring Harnesses

Wiring harnesses streamline installation by providing pre-configured connections, reducing errors, and saving time in Silverado stereo setups.

Adapting Aftermarket Systems

Adapting Aftermarket Systems

For those upgrading to aftermarket stereos, the wiring diagram facilitates compatibility and integration, ensuring a seamless transition in the Silverado audio system.

Troubleshooting Common Issues

Troubleshooting Common Issues

From static interference to speaker malfunctions, the wiring diagram aids in identifying and resolving common issues encountered in Silverado stereo setups.

Conclusion: Mastering the Chevy Silverado stereo wiring diagram empowers enthusiasts to understand, customize, and troubleshoot their vehicle's audio system with confidence.

Sources: Information in this article is based on manufacturer specifications and automotive electrical engineering principles.

Chevy Silverado stereo wiring diagram in Professional's eye

Wiring diagrams are indispensable tools in understanding the intricate electrical systems of vehicles, including the Chevy Silverado stereo wiring diagram. These diagrams provide a visual representation of the wiring layout, aiding in installation, troubleshooting, and customization.

Before delving into the specifics of the Chevy Silverado stereo wiring diagram, it's essential to understand the basics of wiring diagrams in general. Wiring diagrams are graphical representations of electrical circuits, depicting the connections between various components using standardized symbols.

Identifying components is a crucial aspect of understanding the wiring diagram for the Chevy Silverado stereo. Components typically include the head unit, speakers, amplifiers, and various wiring harnesses, each playing a vital role in the overall audio system.

Deciphering color codes is essential when interpreting the Chevy Silverado stereo wiring diagram. Manufacturers use standardized color-coding for wires to denote their function or purpose, making it easier to identify and connect the appropriate wires during installation or troubleshooting.

Understanding grounding and power supply requirements is crucial for ensuring the proper functioning of the Chevy Silverado stereo. Grounding refers to establishing a connection between electrical components and the vehicle's chassis, while the power supply ensures a stable voltage supply for uninterrupted operation.

Integration with amplifiers is a key consideration when examining the wiring diagram for the Chevy Silverado stereo. Amplifiers play a crucial role in enhancing audio output, and the wiring diagram provides guidance on how to integrate them seamlessly into the audio system.

Utilizing wiring harnesses simplifies the installation process when working with the Chevy Silverado stereo wiring diagram. Wiring harnesses are pre-configured sets of wires and connectors that match the factory wiring, making it easier to connect aftermarket stereo components without cutting or splicing wires.

Adapting aftermarket systems requires careful consideration of the Chevy Silverado stereo wiring diagram. When upgrading to an aftermarket stereo, the wiring diagram helps ensure compatibility between the new stereo and the existing wiring harness, preventing compatibility issues and ensuring a seamless installation.

Troubleshooting common issues is facilitated by referencing the Chevy Silverado stereo wiring diagram. Common issues such as static interference, speaker malfunctions, or wiring faults can be identified and resolved more efficiently with the aid of the wiring diagram.

In conclusion, the Chevy Silverado stereo wiring diagram is an invaluable resource for anyone working on the vehicle's audio system. Whether installing a new stereo, troubleshooting issues, or customizing the audio setup, referencing the wiring diagram ensures a smooth and successful outcome.

Point of Views : Chevy Silverado stereo wiring diagram
  • Understanding the Importance: Wiring diagrams, such as the Chevy Silverado stereo wiring diagram, are indispensable tools in the realm of automotive electronics.
  • Clarity in Complexity: These diagrams provide a visual representation of the intricate network of wires and components within a vehicle's electrical system, offering clarity amidst complexity.
  • Facilitating Installation: For technicians and enthusiasts alike, wiring diagrams serve as invaluable guides during the installation process, ensuring precise connections and optimal functionality.
  • Troubleshooting Aid: When faced with electrical issues, wiring diagrams enable systematic troubleshooting by pinpointing potential problem areas and guiding diagnostic procedures.
  • Customization Potential: Moreover, wiring diagrams empower individuals to customize their vehicle's electrical setup, whether it's upgrading to a new stereo system or adding aftermarket accessories.
  • Compliance with Standards: By adhering to manufacturer specifications outlined in wiring diagrams, technicians ensure compliance with safety and performance standards.
Conclusion :

As we conclude our exploration of the Chevy Silverado stereo wiring diagram, it's crucial to reflect on the wealth of knowledge gained. Through meticulous examination of the diagram's intricacies, we've unraveled the complexities of the vehicle's electrical system, gaining insight into the arrangement and functionality of its various components.

Armed with this understanding, readers are equipped to tackle installation projects with confidence, ensuring precise connections and optimal performance. Furthermore, the wiring diagram serves as a troubleshooting companion, guiding diagnostic efforts in the event of electrical issues.

Questions and Answer for Chevy Silverado stereo wiring diagram

People also ask about Chevy Silverado stereo wiring diagram:

  • 1. What is a Chevy Silverado stereo wiring diagram?
  • A Chevy Silverado stereo wiring diagram is a visual representation of the electrical connections and wiring layout of the stereo system in a Chevy Silverado truck. It provides detailed information about the wires, connectors, and components involved in the stereo setup.

  • 2. How can I use a Chevy Silverado stereo wiring diagram?
  • To use a Chevy Silverado stereo wiring diagram, start by identifying the specific diagram corresponding to your truck's model year and stereo system configuration. Then, follow the color-coded wires and connector labels to understand the connections between the stereo head unit, speakers, amplifiers, and other components.

  • 3. What are the benefits of using a Chevy Silverado stereo wiring diagram?
  • Using a Chevy Silverado stereo wiring diagram offers several benefits, including facilitating the installation of aftermarket stereo systems, troubleshooting electrical issues, customizing the stereo setup, and ensuring compliance with safety and performance standards.

  • 4. Where can I find a Chevy Silverado stereo wiring diagram?
  • Chevy Silverado stereo wiring diagrams can be found in various sources, including the vehicle's owner's manual, official dealership service manuals, online automotive forums, aftermarket stereo installation guides, and dedicated wiring diagram websites.

Label :Chevy Silverado, Stereo Wiring, Diagram, Installation

Keyword : Chevy Silverado stereo wiring diagram

No comments:

Post a Comment